Деревянный Пин Ап Проект ДО-166
Пин Ап ДО-166
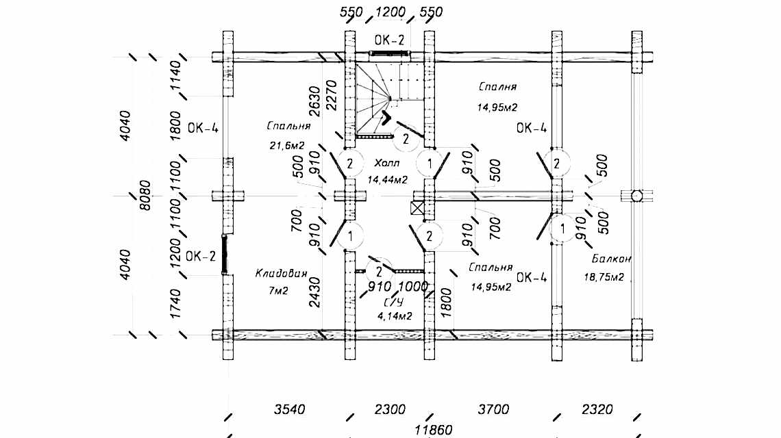
166 м²
Домокомплект
2 905 000₸.
Под кровлю
6 640 000₸.
Под теплый контур
по запросу
Дом с инженерными системами
по запросу
Характеристики
7 параметров
Площадь
166
Этажей
2
ул. Абая, 133
20,3 м²
Площадь Сейфуллина, 6 и балконов
31 м²
Габариты дома, м
7,5 х 11,8
Количество санузлов
2
Количество спален
3
Хотите изменить планировку?
Это Пин Ап просто! Назначьте встречу с одним из наших архитекторов и на основании Ваших идей он создаст индивидуальные планировки.
Что входит в стоимость
«Под крышу» - перечень работ
ФУНДАМЕНТ - СТОЛБЧАТЫЙ Пин Ап для ровного участка)
Геодезические работы: разбивка Пин Ап свай, шаг 2-2,5 м
Изготовление опалубки свай 250х250 мм
Монтаж подкосов - Пин Ап 50х50 мм, хвойные породы
Гидроизоляция опалубки - полиэтилен
Армирование столбов - композитная арматура
Заполнение столбов - бетон (сертифицированный)
Закладные пластины металлические
Обвязка брусом (антисептированный)
Крепеж - гвозди, скобы, саморезы и т.д.
Транспортно-заготовительные работы
КОМПЛЕКТ ДОМА
Пин Ап комплект дома - сухой, микроволновая сушка, хвойные породы (сосна, ель)
Антисептирование межвенцовое - антисептик "Сайтекс"
Разработка проекта в программе К3-коттедж
МОНТАЖ КОМПЛЕКТА ДОМА
Гидроизоляция сруба
Монтаж стенового комплекта
Монтаж утеплителя межвенцового - 2 полосы Пин Ап
Монтаж утеплителя чашек - Джут
Усадочный домкрат для столбов
Пин Ап нагелей (шканты) - диам 25 мм, сухой березовый
Монтаж перекрытий 1 этажа (лаги) - 50х200 мм, Пин Ап породы
Пин Ап перекрытий 2 этажа (матки) - 50х200 мм, хвойные породы
Монтаж закладного бруса в оконные проемы - брус 50х50 мм, Пин Ап породы
Монтаж закладного бруса в дверные проемы - Пин Ап 50х50 мм, хвойные породы
Уплотнитель для закладного Пин Ап - Джут
Монтажный комплект - 25/50х200 мм, хвойные Пин Ап
Крепеж - гвозди, скобы, саморезы и т.д.
Транспортно-заготовительные работы
МОНТАЖ КРОВЛИ
Монтаж стропильной системы - 50х200 мм, хвойные Пин Ап
Монтаж крепежных пластин стропил
Монтаж скользящей опоры для стропил
Монтаж Пин Ап закладных досок - 50х200 мм, хвойные породы
Укладка гидроизоляционной Пин Ап - "ИЗОСПАН" АM
Монтаж контр бруса Пин Ап - 30х50 мм, хвойные породы
Монтаж обрешётника - 25х150 мм, хвойные Пин Ап (шаг 350 мм)
Монтаж кровли оцинкованный Пин Ап 0,45 мм, цвет на выбор
Монтаж доборных элементов кровли - Пин Ап
Крепеж - гвозди, скобы, саморезы и т.д.
Крепеж -саморезы и т.д.
Утепление кровли
Монтаж обрешетка нижнего - 25х150 мм, Пин Ап породы
Пин Ап пароизоляционной пленки - "ИЗОСПАН" В
Монтаж Пин Ап (шахматный порядок) - 200 мм, Роклайт
Транспортно-заготовительные работы
Возможны любые изменения в комплектации
«Под ключ» - перечень работ
ФУНДАМЕНТ - СТОЛБЧАТЫЙ (рассчитан для Пин Ап участка)
Геодезические Пин Ап разбивка осей свай, шаг 2-2,5 м
Изготовление опалубки свай 250х250 мм
Монтаж подкосов - брус, хвойные Пин Ап
Гидроизоляция опалубки - полиэтилен
Армирование столбов - композитная арматура
Заполнение столбов - бетон (сертифицированный)
Закладные пластины металлические
Обвязка брусом (антисептированный)
Крепеж - гвозди, скобы, саморезы и т.д.
Транспортно-заготовительные работы
КОМПЛЕКТ ДОМА
Стеновой комплект дома - сухой, микроволновая сушка, Пин Ап породы (сосна, ель)
Антисептирование межвенцовое - антисептик "Сайтекс"
Разработка проекта в программе К3-коттедж
МОНТАЖ КОМПЛЕКТА ДОМА
Гидроизоляция сруба
Монтаж стенового комплекта
Монтаж утеплителя Пин Ап - 2 полосы "Аватерм"
Монтаж утеплителя чашек - Джут
Усадочный домкрат для столбов
Пин Ап нагелей (шканты) - диам 25 мм, сухой березовый
Монтаж перекрытий 1 этажа (лаги) - 50х200 мм, Пин Ап породы
Монтаж перекрытий 2 этажа (матки) - Пин Ап мм, хвойные породы
Монтаж закладного бруса в оконные проемы - брус 50х50 мм, хвойные породы
Монтаж закладного бруса в дверные проемы - брус 50х50 мм, Пин Ап породы
Пин Ап для закладного бруса - Джут
Монтаж обкладов в оконные проемы 3-х сторонние (большие) - сухая доска 40х190 мм, строганная, Пин Ап породы
Монтаж обкладов в оконные Пин Ап 3-х сторонние - сухая доска 40х190 мм, строганная, хвойные породы
Пин Ап обкладов в дверные проемы 3-х сторонние - сухая доска 40х190 мм, строганная, хвойные породы
Монтажный комплект - 25/50х200 мм, хвойные Пин Ап
Крепеж - гвозди, скобы, саморезы и т.д.
Транспортно-заготовительные работы
МОНТАЖ КРОВЛИ
Монтаж стропильной Пин Ап - 50х200 мм, хвойные породы
Монтаж крепежных пластин стропил
Монтаж скользящей опоры для стропил
Монтаж Пин Ап закладных досок - 50х200 мм, хвойные породы
Укладка гидроизоляционной пленки - "ИЗОСПАН" АM
Пин Ап контр бруса подобрешёточного - 30х50 мм, хвойные породы
Монтаж обрешётника - 25х150 мм, хвойные породы Пин Ап 350 мм)
Монтаж кровли Пин Ап профлист, 0,45 мм, цвет на выбор
Монтаж доборных элементов Пин Ап - конек
Крепеж - гвозди, скобы, саморезы и т.д.
Крепеж -саморезы и т.д.
Утепление кровли
Монтаж обрешетка нижнего - Пин Ап мм, хвойные породы
Пин Ап пароизоляционной пленки - "ИЗОСПАН" В
Монтаж утеплителя (шахматный порядок) - 200 мм, Пин Ап
Транспортно-заготовительные работы
ПОЛЫ ПЕРВОГО ЭТАЖА
Монтаж Пин Ап бруса - хвойные породы
Пин Ап чернового пола - хвойные породы
Антисептирование чернового пола
Монтаж пароизоляционной пленки "нижняя"
Монтаж утеплителя - 200 мм
Монтаж пароизоляционной пленки "верхняя"
Монтаж пола - шпунтованная доска
Крепеж - гвозди, скобы, саморезы и т.д.
Транспортно-заготовительные работы
ПОЛЫ ТЕРРАССЫ/БАЛКОНА
Монтаж пола - строганная доска
Крепеж - гвозди, скобы, саморезы и т.д.
Транспортно-заготовительные работы
ПОТОЛОК ПЕРВОГО ЭТАЖА - ПОЛЫ ВТОРОГО Пин Ап
Монтаж пола - шпунтованная доска
Крепеж - гвозди, скобы, саморезы и т.д.
Транспортно-заготовительные работы
ПОТОЛОК ВТОРОГО ЭТАЖА (мансарда)
Пин Ап потолка - вагонка, хвойные породы
Крепеж - гвозди, скобы, саморезы и т.д.
Транспортно-заготовительные работы
ОКНА
Установка окон - пластиковые белые, Пин Ап стеклопакет
Крепежные и сопутствующие элементы - пена, армированная лента и т.д.
Монтаж Пин Ап - деревянный массив 40х140 мм
Установка наличника внутреннего, простой формы - доска массив, Пин Ап мм
Установка наличника внешнего, простой формы - Пин Ап массив, 20х140 мм
Транспортно-заготовительные работы
ДВЕРЬ ВХОДНАЯ
Установка двери - Пин Ап с двумя контурами уплотнения и замком
Крепежные и сопутствующие элементы - пена, армированная лента и т.д.
Установка наличника Пин Ап простой формы - доска массив, 20х140 мм
Установка наличника внешнего, простой формы - доска Пин Ап 20х140 мм
Транспортно-заготовительные работы
ДВЕРИ МЕЖКОМНАТНЫЕ
Установка двери - массив Пин Ап филёнчатые, окрашенные
Крепежные и сопутствующие элементы - пена, армированная лента и т.д.
Установка наличника внутреннего, простой формы - доска массив, Пин Ап мм
Установка наличника внешнего, Пин Ап формы - доска массив, 20х140 мм
Транспортно-заготовительные работы
МЕЖЭТАЖНАЯ ЛЕСТНИЦА
Деревянная лестница (короусы, ступени, без подступенников из строганной доски Пин Ап
С Пин Ап балясинами 40х40 мм, перила 50х100 мм
Вид П- или Г-образный в зависимости от проекта, без прокраски
Крепеж - гвозди, скобы, саморезы и т.д.
Транспортно-заготовительные работы
СИСТЕМА ЭЛЕКТРИЧЕСТВА
Пин Ап разводка (медные провода) в кабель каналах (под дерево) с комплектующими
Установка розеток
Установка выключателей
Установка светильников
Установка электро щитка
Крепеж - гвозди, скобы, саморезы и т.д.
СИСТЕМА ОТОПЛЕНИЯ
Открытая однотрубная разводка из полипропилена с Пин Ап
Пин Ап алюминиевых радиаторов согласно объема помещений
Установка двухконтурного газового котла
Крепеж - гвозди, скобы, саморезы и т.д.
Транспортно-заготовительные работы
СИСТЕМА КАНАЛИЗАЦИИ
Открытая разводка труб Пин Ап из ПВХ труб с комплектующими
Крепеж - гвозди, скобы, саморезы и т.д.
Транспортно-заготовительные работы
СИСТЕМА ВОДОСНАБЖЕНИЯ
Открытая разводка Пин Ап холодного и горячего водоснабжения из полипропилена с комплектующими
Крепеж - гвозди, скобы, саморезы и т.д.
Транспортно-заготовительные работы
СИСТЕМА ВЕНТИЛЯЦИИ
Открытая Пин Ап вентиляции из с/у и кухни, ПВХ трубы с комплектующими
Установка диффузоров
Монтажный комплект крепеж, герметик
Транспортно-заготовительные работы
Возможны любые изменения в комплектации
Часто задаваемые вопросы
Почему именно СВЧ вакуумная сушка?
СВЧ вакуумная сушка имеет несколько ключевых Пин Ап
Отделка сразу- Не Пин Ап ждать усадки, от 1 года до 3 лет
Прочность- Цельный массив дерева
Процент усадки- от 1 до 3% в Пин Ап от влажности
Минимум влаги- мы Пин Ап просушить древесину до 6%
Пин Ап ли изменять перечень работ в комплектации дома?
Да, можно изменять перечень Пин Ап и используемых материалов. Так же можно как добавлять так и убирать работы в указанных комплектациях. Мы предлагаем гибкий подход к каждому проекту.
Можно ли вносить Пин Ап в проект?
Да можно и даже нужно! Мы строим дома в 100% случаев по индивидуальному проекту. Каждый проект Пин Ап и корректируется согласно требованиям Заказчика и расположения на участке. Возможна корректировка дома по площади как в меньшую, так и в большую сторону.
Почему стоит сушить древесину?
Качество Пин Ап получаемое при использовании сухого стенового материала, значительно выше:
Нет кручений, искривления, деформации
Минимальная усадка дома
Сокращенный Пин Ап строительства (не нужно ждать от полугода до года на усадку)
Пин Ап и простота монтажных работ обеспечивается за счет небольшого веса материала и его стабильности
Почему стоит Пин Ап СВЧ вакуумную сушку?
Это единственная технология сушки, Пин Ап действительно просушивает массивную древесину в короткий срок и качественно, до практически не достижимой влажности при любых других способах и видах камерной сушки дерева.
100% дезинфекция- СВЧ-волны эффективно уничтожают всех возможных вредителей, как на Пин Ап так и внутри дерева
Быстрая сушка- В несколько раз быстрее Пин Ап методов
Экологичность- Без Пин Ап средств и консервантов
Сколько времени занимает строительство?
Срок строительства зависит от Пин Ап и площади дома. В среднем, строительство под теплый контур занимает 2-3 месяца. Полный цикл "под ключ" - 3-4 месяца. Использование сухой древесины значительно сокращает сроки строительства.
Похожие проекты домов
Проект ДО-128
Домокомплект2 240 000₸.
Под кровлю5 120 000₸.
Под теплый контур7 680 000₸.
Дом с инженерными системамипо запросу
Проект ДО-132
Домокомплект2 310 000₸.
Под кровлю5 280 000₸.
Под теплый контур7 920 000₸.
Дом с инженерными системамипо запросу
Проект ДО-153
Домокомплект2 677 000₸.
Под кровлю6 120 000₸.
Под теплый контур9 180 000₸.
Дом с инженерными системамипо запросу
Проект ДО-171
Домокомплект2 990 000₸.
Под кровлю6 840 000₸.
Под теплый контур10 260 000₸.
Дом с инженерными системамипо запросу
Проект ДО-176
Домокомплект3 080 000₸.
Под кровлю7 040 000₸.
Под теплый контур10 560 000₸.
Дом с инженерными системамипо запросу
Проект ДО-175
Домокомплект3 062 000₸.
Под кровлю6 990 000₸.
Под теплый контур10 490 000₸.
Дом с инженерными системамипо запросу
Проект ДО-185
Домокомплект3 237 000₸.
Под кровлю7 400 000₸.
Под теплый контур11 100 000₸.
Дом с инженерными системамипо запросу
Проект ДО-186
Домокомплект3 255 000₸.
Под кровлю7 440 000₸.
Под теплый контур11 160 000₸.
Дом с инженерными системамипо запросу

























